





臺冠JP-40HV壓縮泵廣泛使用醫療設備、印刷設備、包裝設備、食品設備、美容纖體設備、環保設備、實驗儀器與自動化電子電氣設備,等離子切割機
1.將壓縮泵盡可能地放在通風好、灰塵少、濕度小的位置;底座用橡膠減震腳或彈簧減震固定。
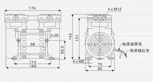
2.進氣口接1/4-18NPT接頭或者其它規格接頭和進氣過濾消聲器等裝置,接好管子;出氣口接管或消音器。
3.使用的電源應有足夠的容量,確認使用的電壓符合產品要求。
4.按照接線要求接好電源與電容線。
5.檢查壓縮泵各元件無異常后,將電源線插頭插到符合要求的電源插座上(電源插座必須接地良好),機器開始工作。
1.機殼外部清理,請在切斷電源的情況下,用干燥柔軟的抹布清理機殼外部的灰塵污垢,每月至少清理一次。
2.進氣過濾消音器的清洗,過濾消聲器過濾棉的清洗很重要,它直接影響壓縮泵的流量和壽命,每月至少清洗一次,請將消聲器擰下,拆開消聲器端蓋,取出過濾棉,用清水沖洗干凈,涼干,再安裝好使用。如果不能清洗干凈,請更換過濾棉。
3.使用時請將底座和減震腳固定螺栓擰緊,盡量放在通風潔凈的地方。
4.壓縮泵工作時,嚴禁觸及機上任何元件。
5.本產品為臺冠JP-40HV壓縮泵,嚴禁加油潤滑。
6.產品長期不使用時,請將其清理干凈,放在通風干燥的地方。
我們的服務:
1:可提供樣品試用,7天內更換服務,全國服務
2:技術團隊24小時待命,提供技術解決服務
3:可根據您的需求,為您量身定制不同產品
4:倉儲式經營,大量現貨
5:產品質量保修一年,終身維護!
產品包裝:木箱或厚紙箱加泡沫保證產品安全。
貨運物流:我們合作物流(德邦)、(順豐)運輸快捷全國2-3天送達。






