|
品名 / 參數 |
參 數 標 準 |
|
|
JP-200V |
額定電壓/頻率 V/Hz |
220V/50Hz,15uf |
|
輸入功率 W |
750W |
|
|
最大氣流量 L/min(零壓) |
200L/min(12m3/h) |
|
|
最大真空度KPa(負壓) |
-95Kpa(-730mmHg) |
|
|
噪音 dB(A) |
≤55dB(A) |
|
|
使用環境溫度 ℃ |
-5℃-40℃ |
|
|
絕緣等級 |
B |
|
|
冷態絕緣電阻(常態)MΩ |
≥100MΩ |
|
|
耐電壓強度 |
1500V/50Hz 1min無擊穿 |
|
|
熱保護器℃ |
自動復位130±5℃ |
|
|
重量 |
11Kg |
|
|
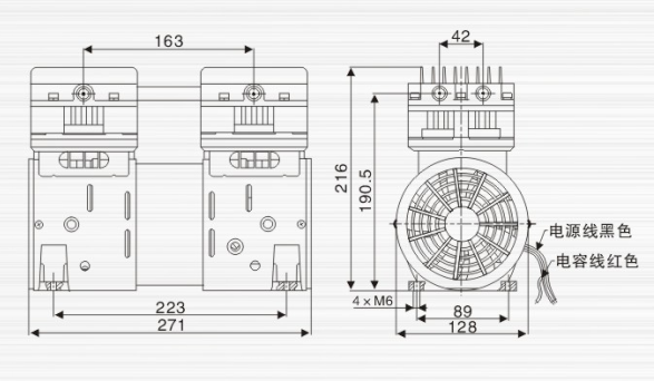
安裝尺寸 |
L223*W89mm(安裝孔∮6mm) |
|
|
外形尺寸 |
L271*W128*H216mm(約) |
|
|
重新啟動壓力 |
0KPa |
|
|
進排氣孔螺紋規格 |
G1/4-俗稱2分(12.7MM)管螺紋 |
|
臺冠JP-200V真空泵可廣泛應用于醫療設備、汽車工業、自動控制、印刷機械、包裝機械、食品保鮮、水產養殖、水凈化處理、分析儀器、美容保健、廣告制作、設備維修、生物制藥、通訊電子、石油化工、環境檢測系統、高原地區制氧等領域;是工業化社會需要純凈和環保真空空間者的選擇。
1.將真空泵盡可能地放在通風好、灰塵少、濕度小的位置;底座用橡膠減震腳或彈簧減震固定。
2.進氣口接1/4-12NPT或1/2-20NPT接頭或者其它規格接頭和進氣過濾消聲器等裝置,接好管子;出氣口接管或消音器。
3.使用的電源應有足夠的容量,確認使用的電壓符合產品要求。
4.按照接線要求接好電源與電容線。
5.檢查真空泵各元件無異常后,將電源線插頭插到符合要求的電源插座上(電源插座必須接地良好),機器開始工作。
6.調節調壓閥使壓力表指示所需壓力并穩定。
7.真空泵不使用時,調節調壓閥排空空氣后,再切斷電源。
8.嚴禁隨意拉扯引出線,以免造成損壞或造成產品故障。
1.正確選擇跟產品銘牌上相符合的電源與電容器,電源電壓超出使用范圍或電壓波動大時,請加穩壓裝置后再使用。
2.本產品使用環境溫度-10至+40℃海拔不高于1500m,超過1500m使用高原型真空泵。使用時,盡量放置于通風清潔場所。
3.選用合適的進氣過濾消聲器,并定期清洗或更換。
4.該產品使用的介質為空氣,如需用于其它的介質,請咨詢本公司400-833-1195
5.當延長電源線時,應考慮電壓降。
我們的服務:
1:可提供樣品試用,7天內更換服務,全國服務
2:技術團隊24小時待命,提供技術解決服務
3:可根據您的需求,為您量身定制不同產品
4:倉儲式經營,大量現貨
5:產品質量保修一年,終身維護!

產品包裝:木箱或厚紙箱加泡沫保證產品安全。
貨運物流:我們合作物流(德邦)、(順豐)運輸快捷全國2-3天送達。





